Electrical CAD Courses
Electrical CAD CAD Courses
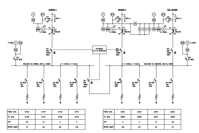
Electrical CAD
Revit MEP
Embedded System
IoT
Artificial Intelligence
CCNA
CCNP





